By combining the rubber body with the integrated magnet, the insert magnet can be produced in almost any geometry. Powerful integrated magnets hold the insert in the exact position. Insert magnets for installation and assembly from Souwest Magnetech have been used in the precast concrete industry for many years.
Souwest Magnetech insert magnets series are an essential part of the magnetic formwork system, designed for various embedded parts in precast concrete. During the precast concrete production process, we need to embed various switch holes, pile holes, and connection or lifting sockets. Using our insert magnets to fix the embedded parts, magnets secure the parts against sliding and slipping. Our products are durable, cost-saving, easy to use, and efficient.
The insert magnet series by Souwest Magnetech magnetic materials supplier has been designed and developed for various pre-cast concrete plug-ins. During the production of precast concrete, we need to embed various switch holes, pile holes, connections or lifting sockets. Use Souwest Magnetech insert magnets to hold the pre-cast pieces in place and prevent sliding and slipping. Our products are durable, easy to use and cost-saving.

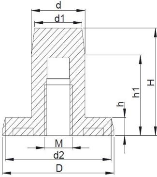
| Model | Dimension (mm) | Weight (g) | Force (Kg) | |||||||
| D | d | d1 | d2 | H | h | h1 | M | |||
| SWQ40-18 | 40 | 18 | 16 | 35 | 36 | 6 | 26 | M10 | 100 | 30 |
| SWQ40-19 | 40 | 19 | 16 | 35 | 36 | 6 | 26 | M10 | 105 | 30 |

| Model | Dimension (mm) | Weight (g) | Force (Kg) | |||||
| D | d | H | h | I | M | |||
| SWR50-M10 | 50 | 45 | 30 | 8 | 5 | M10 | 130 | 60 |
| SWR50-M12 | 50 | 45 | 30 | 8 | 6 | M12 | 130 | 60 |
| SWR50-M14 | 50 | 45 | 30 | 8 | 6 | M14 | 135 | 60 |
| SWR50-M16 | 50 | 45 | 30 | 8 | 8 | M16 | 135 | 60 |
| SWR54-M18 | 54 | 49 | 30 | 10 | 10 | M18 | 165 | 60 |
| SWR54-M20 | 54 | 49 | 30 | 10 | 10 | M20 | 165 | 60 |
| SWR54-M24 | 54 | 49 | 30 | 10 | 12 | M24 | 170 | 60 |

Model | Dimension (mm) | Weight (g) | Force (Kg) | |||||
L | l | H | D | h | M | |||
SWLNS85 | 84.5 | 70 | 31.5 | 24 | 4 | M10 | 260 | 60 |
Email us
Call us
Address
99 Lipu Road Xiepu Zhenhai Ningbo
English
日本語
한국어
français
Deutsch
Español
italiano
русский
português
العربية